一、特點:
1.可測量主回路電流為250A以下系統(tǒng)中的零序電流;
2.全封閉,機械和耐環(huán)境性能好,電壓隔離能力強,安全可靠;
3.軟線輸出,使用方便靈活。
二、使用環(huán)境條件:
1.環(huán)境溫度:-55℃~+85℃;
2.相對濕度:溫度為40℃時不大于90%;
3.大氣壓力:860~1060mbar(約為650~800mmHg)。
三、工作頻率范圍:20Hz~20kHz。
四、絕緣耐熱等級:B級(130℃)。
五、安全特性:
1.絕緣電阻:常態(tài)時大于1000MΩ;
2.抗電強度:可承受工頻6kVHz/1分鐘;
3.阻燃性:符合UL94-V0級。
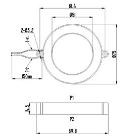
六、外形圖、安裝尺寸及線圈圖:
1.外形圖、安裝尺寸見圖一:

2.線圈圖見圖二:

七、典型應用及性能參數:
按圖三所示應用性能參數見下表。
產品型號 | 額定 輸入電流 | 額定 輸出電流 | 額定 采樣電阻 | 額定 采樣電壓 | 相移 | 非線性度 | 線性范圍 |
TA5765-01M | 1A | 1mA | 100Ω | 0.1V | ≤60’ | ≤0.5% | ≥2倍額定 |
TA5765-02M | 1A | 0.5mA | 400Ω | 0.2V | ≤60’ | ≤0.5% |
● 說明:
a.實際應用中,采樣電阻應小于或等于上表給出的額定值,這樣會改善非線性度和相移;
b.若用戶需要的變流比與上述不同,可按用戶要求訂制。
八、注意事項:
1.電流互感器初級應串聯于被測電流回路中,次級應近似工作于短路狀態(tài);
2.電流互感器次級電路不允許開路,所以請不要裝熔斷器。